Penguat Operasi Dwi-Saluran AiP4580 & AiP4558
AiP4580
1, Penerangan Umum
AiP4580 ialah penguat operasi dwi-saluran berkelajuan tinggi dan tepat.
Ia mempunyai voltan ofset rendah, hingar rendah, lebar jalur gandaan unit yang tinggi, arus keluaran yang besar dan herotan yang rendah. Ia digunakan terutamanya dalam aplikasi seperti pra-amplifikasi audio, penapis aktif, pengukuran perindustrian dan instrumentasi untuk pelbagai tujuan amplifikasi linear.
2, Ciri-ciri
● Voltan Operasi (±2V~±18V)
● Voltan Bunyi Input Rendah (jenis 0.8μVrms, RIAA, 30KHzLPF)
● Voltan ofset rendah (tipikal 0.5mV), maksimum 3mV)
● GBW Lebar jenis 15MHz
● Herotan Rendah 0.0005% tipikal.
● Kadar Lenturan tipikal 5V/μs
● Bentuk Pembungkusan:SOP8/DIP8/MSOP8/SIP8
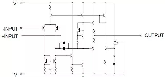
3. Gambarajah Blok

4, Penerangan Pin

AiP4558
1, Penerangan Umum
AiP4558 menyediakan dua penguat operasi tujuan umum yang bebas, bergandingan tinggi dan berkompensasi frekuensi dalaman. Ia boleh beroperasi dengan sama ada bekalan kuasa tunggal pada julat voltan yang luas atau bekalan kuasa berganda. Ia digunakan terutamanya dalam pengikut voltan, komponen gandaan DC, kawalan perindustrian dan semua penguat operasi biasa.
2, Ciri-ciri
1
● Julat voltan mod sepunya dan pembezaan yang luas (±2V~±18V)
● Voltan ofset rendah (tipikal 0.5mV), maksimum 6mV)
● Lebar jalur gandaan unit: 3MHz (biasa)
● Voltan Bunyi Input Rendah:8 nV /√Hz,1KHz(tipikal)
● Kadar Leleh:1.7V/uS(tipikal)
● Maklumat pakej: SOP8/DIP8/SIP8/SOP8(W)
3. Gambarajah Blok

4, Penerangan Pin

tinggalkan mesej